無 VCC 電容、無啟動電阻 集成高壓供電功能 無需輔助繞組檢測和供電 寬范圍輸入電壓 士5% LED 輸出電流精度 LED 短路保護 LED開路保護 多燈并聯無閃爍 芯片供電欠壓保護 過熱調節功能
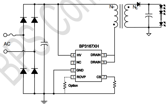
BP3167XH is a high-precision flyback LED constant current driver chip. The chip operates in inductor current intermittent mode and is suitable for isolated flyback LED constant current power supply with a full range of input voltages from 85Vac to 265Vac. The BP3167XH chip integrates a high-voltage power switch internally, using gate demagnetization detection technology and high-voltage JFET power supply technology. It does not require VCC capacitors and starting resistors, making its peripheral devices simpler and saving peripheral costs and volume.
Advantages: No VCC capacitor, no starting resistor, integrated high-voltage power supply function, no need for auxiliary winding detection and power supply. Wide range input voltage ± 5%, LED output current accuracy, LED short circuit protection, LED open circuit protection, EN function chip power supply, undervoltage protection, overheating regulation function
Application areas: LED bulb light, LED tube light, other LED lighting

| PRODUCT MODEL | encapsulation | MOS internal resistance | MOS withstand voltage | Over temperature protection | Anti multiple parallel flashing lights | open protect | Output power @ Vin: 85V-265V (W) | Output power @ Vin: 176V-265V (W) |
| BP3166XS | SOP7 | 25Ω-14Ω | 650V | Y | Y | Y(Internal) | 3W-5W | 5W-7W |
| BP3166XH | SOP7 | 9Ω-3Ω | 650V-600V | Y | Y | Y(Internal) | 7W-12W | 9W-15W |
| BP3167XH | DIP7 | 4.7Ω-2Ω | 650V-600V | Y | Y | Y(Internal) | 12W-24W | 15W-24W |
| BP3189A | SOP8 | - | - | Y | Y | Y(External) | 50W | 100W |
| BP3336DB | SOP8 | 2.4Ω | 650V | Y | Y | Y(External) | - | 30W |
| BP3186CB | SOP8 | 5.7Ω | 650V | Y | Y | Y(External) | - | 20W |
| BP3187DB | DIP7 | 2Ω | 650V | Y | Y | Y(External) | - | 40W |
| BP3187ED | DIP7 | 2.5Ω | 700V | Y | Y | Y(External) | - | 45W |
| BP3182EB | BPSOP10 | 1.8Ω | 650V | Y | Y | Y(External) | - | 40W |
| BP3182ED | BPSOP10 | 2Ω | 700V | Y | Y | Y(External) | - | 40W |
| BP3187EB | DIP7 | 1.8Ω | 650V | Y | Y | Y(External) | - | 50W |
| BP3337DB | DIP7 | 2Ω | 650V | Y | Y | Y(External) | - | 40W |
| BP3337EB | DIP7 | 1.8Ω | 650V | Y | Y | Y(External) | - | 50W |
| BP3189B | SOP8 | External | External | Y | Y | Y(External) | - | 100W |