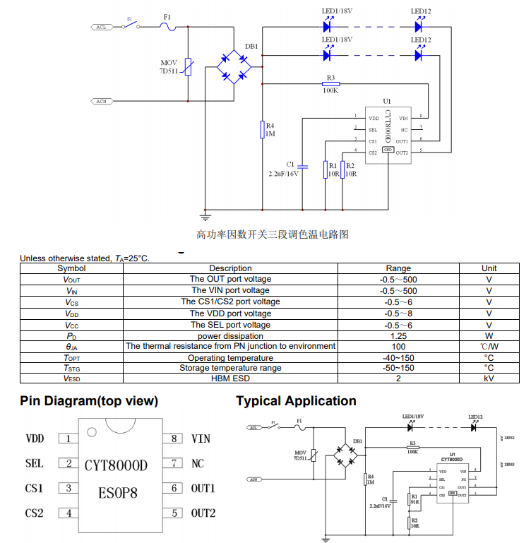
CYT8000D is a switching dimming / toning constant current LED IC chip. It's suitable for AC 180V-240V-or AC90V-130V input voltage, constant precision< ± 5%.When the CYT8000D is used to 3 chann...
CYT8000D is a switching dimming / toning constant current LED IC chip. It's suitable for AC 180V-240V-or AC90V-130V input voltage, constant precision< ± 5%.When the CYT8000D is used to 3 channel dimming, the output current can be changed by turning on / offpower supply, thus changing the brightness of LED. The dimming ratio can be set through external CS resistors.When the CYT8000D is used to 3 channel color temperature adjustment, the current of two output port can bechanged by turing on / off power supply to achieve the LED lamp bead light on / out alternately of two differentcolor LED , and then achieve the function of adjusting color temperature. The output power can be set throughexternal CS resistors.Simple overall design structure, with over-temperature and over voltage protection function, no transformerand electrolytic capacitance, fully SMT processing and automatic operation can be realized with only a fewcomponents on the periphery of the drive scheme.
