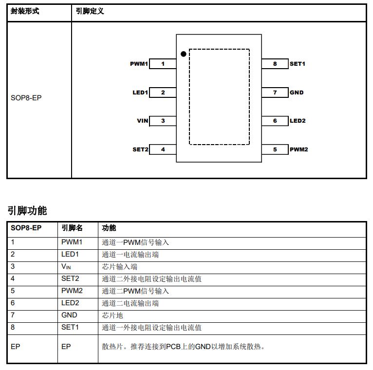
SLM421A 系列產品是用于產生雙通道、高精度恒流源的 LED 驅動芯片,在需要調光調色的 LED 照明產品中簡單易用。
SLM421A 具有寬輸入電壓范圍、高輸出精度、超低 drop-out 壓降、卓越的線性/負載調整率等特性,從而確保在球泡燈,吸頂燈,線條燈、發光字等調光調色應用中實現高品質照明驅動。大多數應用情況下,SLM421A 每路驅動僅需從SET 到 GND 接一個電阻即可單獨設定每通道輸出電流。此外,SLM421A 還支持每路 100Hz~20kHz 頻率范圍內獨立的 PWM 調光,且在 100Hz 條件下可實現 1024:1 的調光深度。SLM421A 每路的過溫保護功能在芯片結溫達到135℃時,啟動線性降電流功能,從而在降低系統功耗的同時,不會造成 LED 閃爍。SLM421A 的防靜電保護設計可以確保整個照明系統在設計、安裝及應用中的安全。
每通道15mA-200mA電流輸出, 通過外部電阻可設定電流值
超低drop out壓降(20mA驅動時,低至300mV)
寬輸入電壓范圍: 4.5V至42V
100Hz到20kHz調光頻率
±5%輸出電流精度
電源及負載調變率0.1%/V

