概述
本方案采用極具性價比的32位MCU芯片CMS32M5533為主控,為驅動算法運行、速度提升及轉矩調節精度提供保障。具有低噪音、低損耗、運行平穩、使用壽命長、無極調速等技術優勢,為廣大客戶提供高性價比的、穩定可靠的方案選擇。華秋商城&中微共同為客戶提供完整方案,包括原理圖、源程序以及應用說明,并可提供定制服務,更有專業技術服務團隊提供技術支持。

MCU簡介
CMS32M5533集成了 ARM? Cortex?-M0內核、內建嵌套向量中斷控制器。主要有并行I/O 口(支持普通輸入、上下拉輸入、推挽輸出、幵漏輸出、并可配置邊沿或者電平觸發中斷)、定時器(6位窗口看門狗定時器、32位看門狗定時器、2路可編程定時器)、SPI、 I2C、UART、PWM、 CCP、ADC、ACMP、OPA、PGA 等部件
應用范圍
本方案是一款具有大扭矩啟動、兩檔扭力選擇、反轉自停、電量指示,夜間LED照明等功能的控制器產品。廣泛應用于汽車輪胎更換、室外架搭建、室內房屋裝潢、貨架搭建、結構廠房搭建、螺絲裝卸和木工鉆孔等工況。
方案特點
l 無感啟動順暢 l 電量指示、照明、兩檔可選、反轉自停、記憶功能 l 過流、短路、過溫、缺相、過欠壓保護、錯誤報警指示
主要單元電路說明
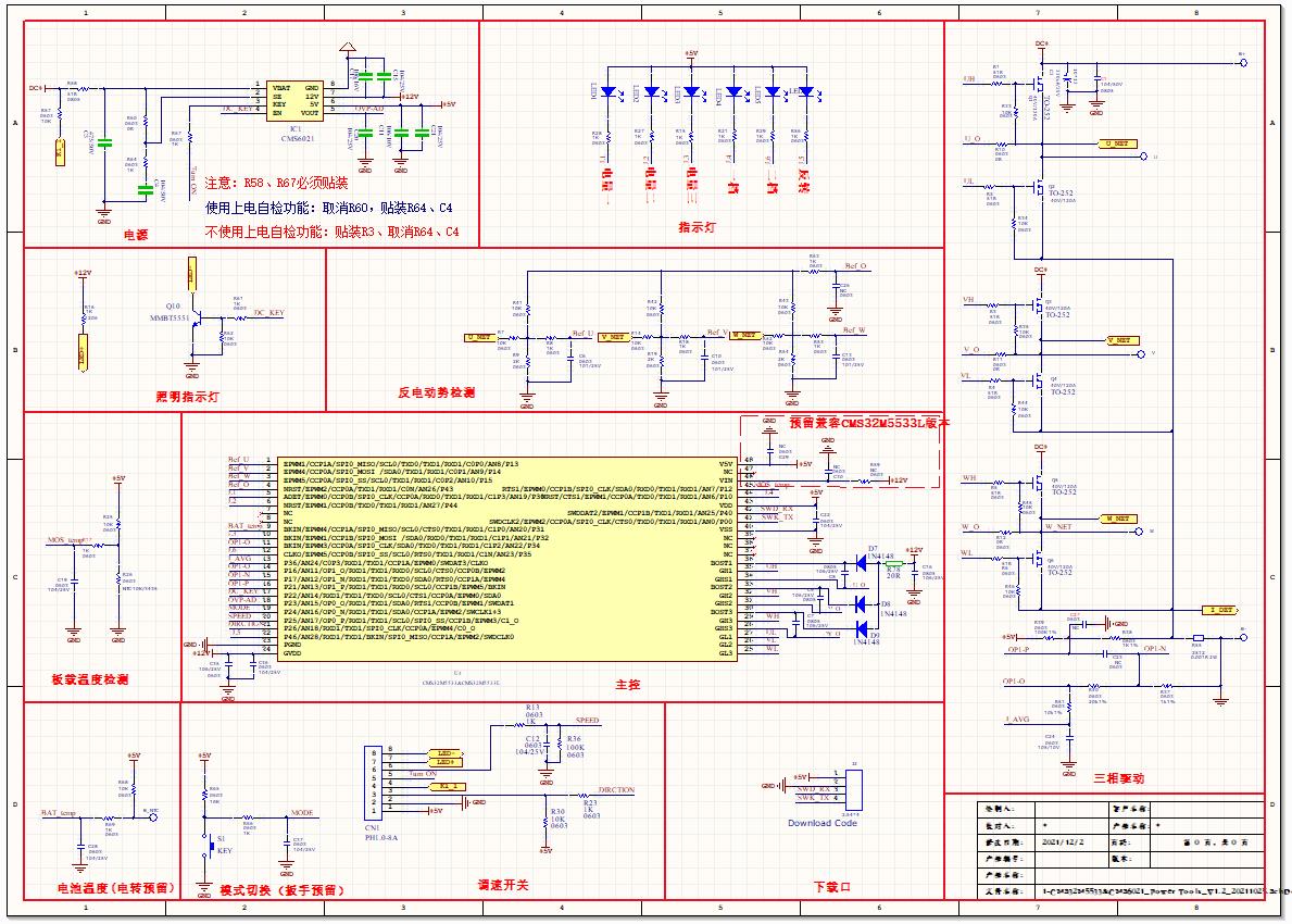
輔助電源電路(12V&5V線性穩壓、輸入母線電壓檢測)
MCU
CMS32M5333集成了 ARM? Cortex?-M。內核、內建嵌套向量中斷控制器。MCU負責整個系統的信號采集,數據處理,邏輯功能控制。
反電動勢采樣
無刷無感直流電機通過反電勢來判斷轉子位置,使用MCU的內置比較器來偵測過零點 之前,必須先對相電壓做分壓,再經過低通濾波以獲得低于5V的直流電壓。而判斷過零點的閾值,則設置為該直流電壓幅值的1/2。隨著電機轉速與負載的不同,該直流電壓的幅值是會 改變的。因此,過零點的閾值也隨之在調整,這可由MCU實時采樣并計算而得。
扳機控制模塊
扳機控制模塊電路可實現幵機上電、正反轉控制、無級調速、照明指示控制等功能。
電量指示、溫度保護、模式切換(正轉模式下:切換高低檔;反轉模式下:切 換反轉自停功能)
溫度保護:R26為負溫度系數熱敏電阻,R25與R26構成分壓電路,Layout時R26靠近功率MOSFET放置。通過檢測功率MOSFET溫度變化引起的R25與R26構成的分壓電路輸出的電壓變化來完成過溫保護信號采樣。 模式切換:MCU通過檢測MODE的高低電平狀態來完成功能切換。 電量指示:通過檢測到的不同的輸入母線電壓來點亮不同LED,三顆LED (LED1、 LED2、LED3)在同時點亮且以不同的頻率和次數閃爍來表示報警指示功能。
功率回路
6顆功率MOSFET按MCU給出的信號輪流導通驅動電機旋轉,根據不同的MOSFET選擇合適的Rg電阻。并考慮MOSFET在極限工況下的耐電壓耐電流參數,且留有一定的余量。
電流采樣
采用0.001R采樣電阻取得母線電流對應的電壓信號,通過單片機內置運算放大器放大。為了能得到準確的電流信息增加偏置電路 偏置電壓由R39、R38分壓后通過CMS32M5333 內部運算放大器產生。運放直接輸出到內部比較器正端,當電流超過軟件設定的值時進入過流保護。
PCB Layout注意事項
5.1布局注意事項 l 整體布局遵循功率回路與小信號控制回路分幵布局原則,功率部份在滿足銅箔載流量與溫度敏感器件距離的前提下,按最小環路面積布局。
l 芯片的放置方向優先考慮驅動出線,電流采樣以及反電動勢采樣等關鍵信號。 l 布局按樹狀結構以輸入電容為參考分區匯流,單元電路地回路按輸出回輸入原則走線。
l Rsense電阻盡量靠近輸入Bulk Capacitor布局。 l 濾波電容抵近端口放置。 l 電阻分壓采樣下偏阻容盡量抵近檢測端口放置(特別是反電動勢采樣與電流采樣相關)。
l 驅動Rg電阻抵近MOSFET放置。 l NTC溫度傳感器貼近熱源放置。
關鍵信號走線
l 運放電流采樣按差分走線,從Rsense焊盤中間出線,走線遠離干擾源。 l 運放基準地應與MCU為同一參考地,反電動勢采樣地與MCU為同一參考地。
l 敏感弱電信號線與強電或高頻信號線保持一定距離,例如:U, V, W,相線禁止從芯片底部走線。 l 輔助電源從輸入Bulk Capacitor出線。